Volvo Penta
Plate by Volvo Penta (21419026)
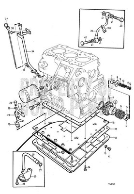
Volvo Penta Exploded view / schematic Intermediate Housing. Section When Used Exchange Part.
Shopping Cart:
Free Shipping!
On All Orders Over $99*
If you are already registered, please log in.
Create your account and enjoy a new shopping experience.
Create A New AccountShop by Categories
back Maintenance
back Automotive
back Trailering
back Boat Outfitting
back Cartography
back Hunting & Fishing
back Electrical
back Alligator Clips
back Boat Wiring
back Inboard Alternators
back Lights & Light Bulbs
back Marine Alternators
back Marine Solenoids
back Marine Starters
back Outboard Rectifiers
back Outboard Starters
back Solar and Wind Power
back Wire Strippers
back Marine Hardware
Marine Navigation & Instruments
back Outdoor
back Ram Mount Store
back Sale Items
back Maintenance & Paint
back Boat Anodes
back Shop Supplies
back Tools and Equipment
back Elevator Bolts
back Marine Fasteners
back Marine Putty
back Pad Holders
back Shop Towels
back Welding rods
back Marine Gear Oil
back Marine Hose Clamps
back Shop Manual Displays
back Steering & Controls
We can ship to virtually any address in the US. Note that there are restrictions on some products, and some products cannot be shipped to international destinations.
When you place an order, we will estimate shipping and delivery dates for you based on the availability of your items and the shipping options you choose. Depending on the shipping provider you choose, shipping date estimates may appear on the shipping quotes page.
Please also note that the shipping rates for many items we sell are weight-based. The weight of any such item can be found on its detail page. To reflect the policies of the shipping companies we use, all weights will be rounded up to the next full pound.
You may return most new, unopened items within 30 days of delivery for a full refund. We'll also pay the return shipping costs if the return is a result of our error (you received an incorrect or defective item, etc.)
You should expect to receive your refund within four weeks of giving your package to the return shipper, however, in many cases you will receive a refund more quickly. This time period includes the transit time for us to receive your return from the shipper (5 to 10 business days), the time it takes us to process your return once we receive it (3 to 5 business days), and the time it takes your bank to process our refund request (5 to 10 business days).
If you need to return an item, please Contact Us with your order number and details about the product you would like to return. We will respond quickly with instructions for how to return items from your order.
Volvo Penta
Volvo Penta Exploded view / schematic Intermediate Housing. Section When Used Exchange Part.
Volvo Penta
Volvo Penta Exploded view / schematic Control for top Installation, PC840: TWIN
Volvo Penta
Volvo Penta Exploded view / schematic Fuel System
Volvo Penta
Volvo Penta Exploded view / schematic Transom Shield, 1 inch water inlet
Volvo Penta
Obtain the precise components needed to guarantee maximum performance and detailed engineering-Volvo Penta Plate (3853628) Exhaust water restrictor plate for many 3.0L 4-cylinder Volvo Penta marine...